Thông tin cơ bản thân sen cây TOTO TBW01002BA
- Vòi Sen cây của thương hiệu thiết bị vệ sinh TOTO
- Thân sen cây TOTO TBW01002BA bát sen tròn, kết hợp với bộ sen tắm nóng lạnh kèm bát sen mạ
- Áp lực nước: 0.15MPa ~ 0.75MPa
- Lớp mạ: Nickel Chrome
- Bát sen 2 chế độ massage
- TBW01002BA (mã cũ: TBW01002B1 ) : Thân sen cây
- Không bao gồm van và bát sen cầm tay
- Có thể kết hợp với vòi sen: TBG04302V/DGH104ZR , TBS02302V/DGH104ZR , TBG02302V/DGH104ZR
Tính năng cây sen TBW01002BA TOTO bát sen tròn massage 2 chế độ
- Thiết kế cổ điển sang trọng từ
- Lớp mạ bền vững với thời gian
- Thân van bằng đồng thau
- Xuất xứ: Trung Quốc
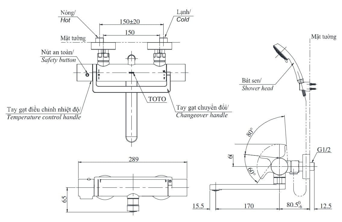
Bản vẽ kỹ thuật thân cây sen TBW01002BA

Thông số vòi sen tắm Nhật TOTO TBV03429V/TBW01010A
- Tên sản phẩm: Sen tắm nhiệt độ Nhật Bản GG
- Mã sản phẩm: TBV03429V/TBW01010A
- Bát sen tiết kiệm nước
- Đầu vòi và tay sen có nút điều chỉnh lưu lượng nước
- Bát sen Aerial Shower
- Bao gồm gác sen, không bao gồm cút nối tường
- Sử dụng công nghệ van nhiệt SMA
- Áp lực nước: 0.05MPa ~ 0.75MPa
- Lớp mạ: Nickel Chrome
- TBV03429V - Xuất xứ: Nhật Bản
- TBW01010A - Xuất xứ: Trung Quốc
Tính năng vòi sen nhiệt độ TOTO TBV03429V-TBW01010A
- Sen tắm nhiệt độ Nhật Bản dòng GG
- Sử dụng công nghệ van nhiệt SMA Tay gạt đóng mở thiết kế hình cung, làm bằng chất liệu kim loại cao cấp dễ sử dụng
- Thiết kế mang đậm phong cách Nhật
- Bát sen Toto Aerial Shower tiết kiệm nước
- Bát sen massage 3 chế độ kèm gác sen
- Lớp mạ bền vững với thời gian
- Thân van bằng đồng thau
- Van đĩa bằng sứ chống bám cặn bẩn giúp khóa nước hoàn toàn
Bản vẽ vòi sen Toto TBV03429V TBW01010A tự động
