THÔNG SỐ KỸ THUẬT
| Mã sản phẩm | WH172AT |
| Tên sản phẩm | Két nước âm tường |
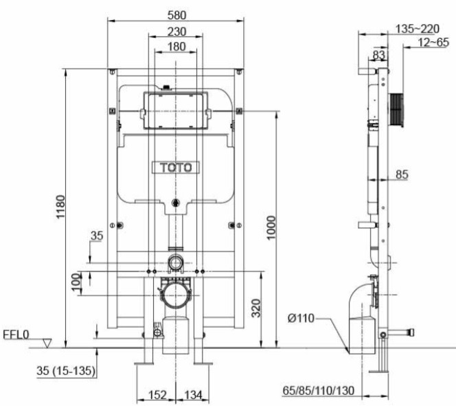
| Kích thước | 580W x 1180H mm |
| Lượng nước sử dụng | 3L/4.5L |
Mã sản phẩm: WH172AT
Tên sản phẩm: Két nước dành cho bồn cầu treo tường giấu dây
Hình ảnh sản phẩm

Tính năng két nước âm tường WH172AT
- Két nước dành cho bàn cầu treo tường giấu dây
- Khung, két nước và hệ thống nước âm tường tạo không gian rộng rãi hơn
- Tiết kiệm nước với chế độ xả 4.8/3L
>>> Xem thêm: Bảng giá bồn cầu treo tường TOTO Hà Nội tại TOTO Tuấn Tú
Bản vẽ kỹ thuật

>>> Tham khảo thêm két nước : Két nước âm tường